← Forest of Dean District Council
P0264/26/FUL
Forest of Dean District Council
Status
Pending Consideration
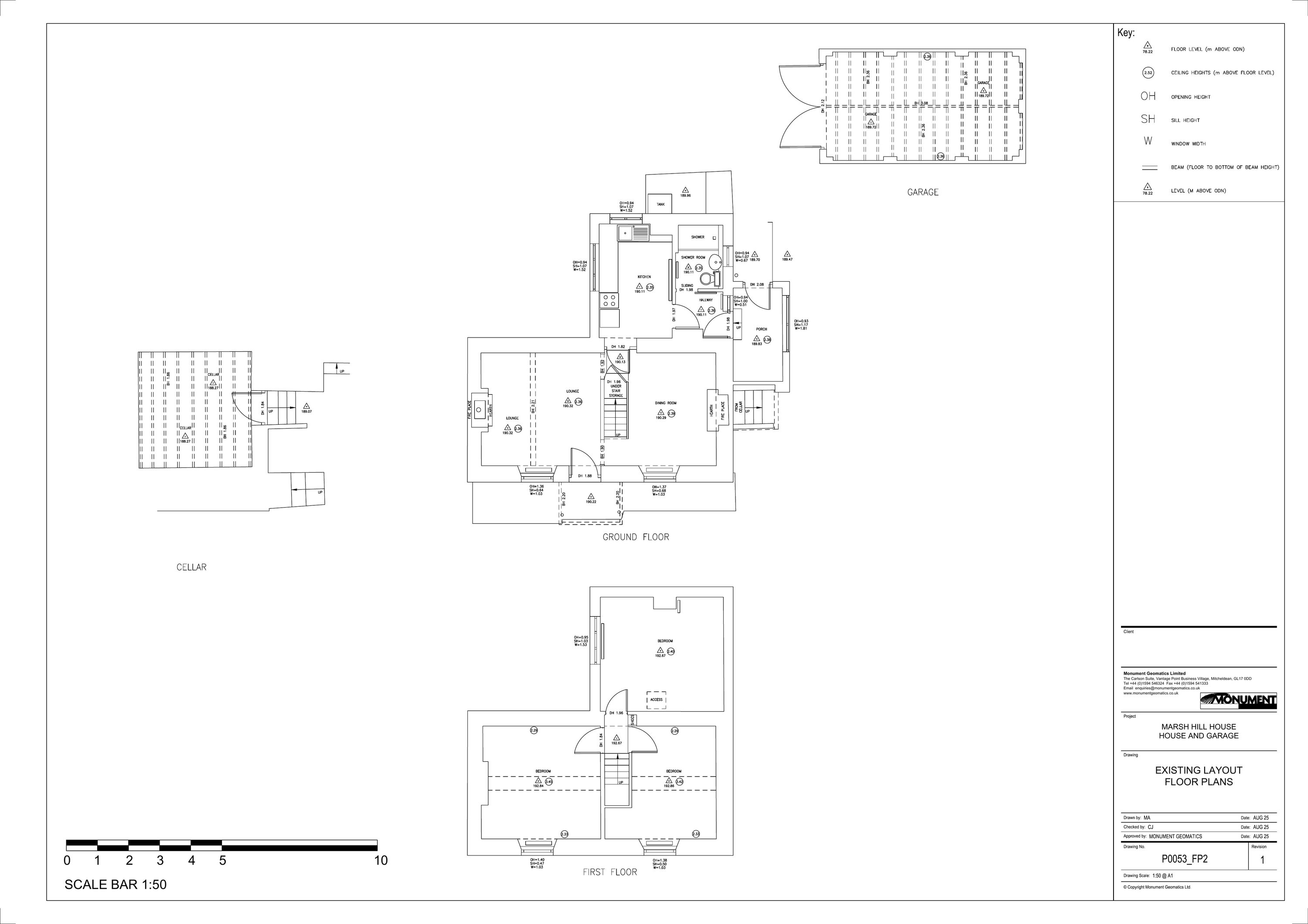
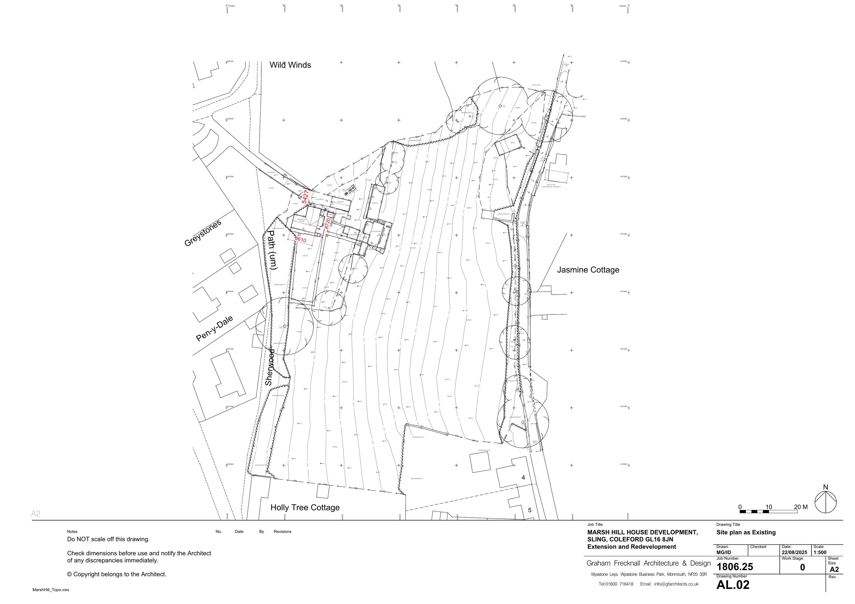
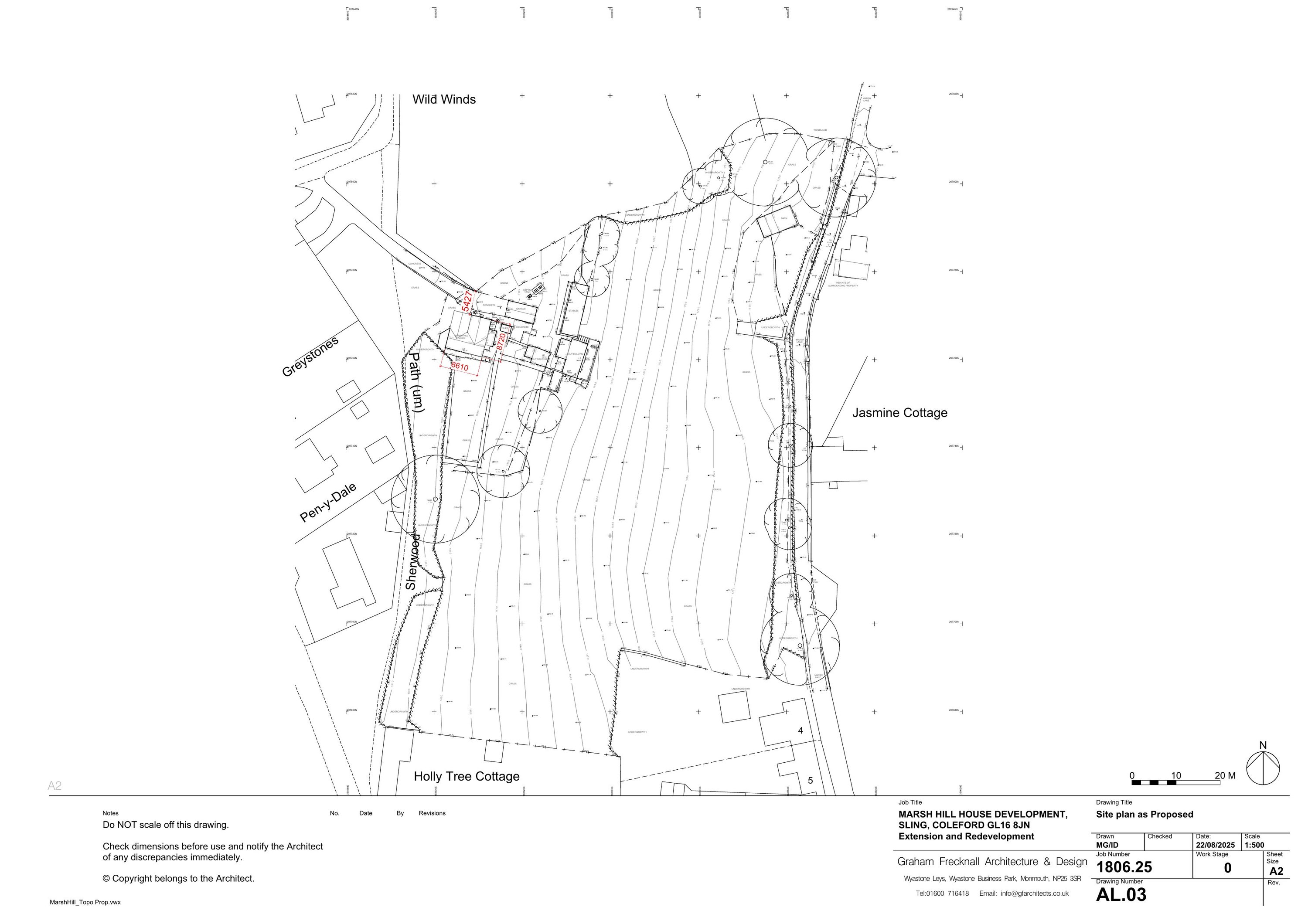
House extension
Received
Last month
New homes
0
Full proposal
Erection of a two-storey rear extension
Documents
Have your say
Your comment matters. Councils must consider every representation that raises material planning considerations.